Épaisseur de l’acier
2,4 mm
Finition
Galvanisé
Longueur
Sur-mesure
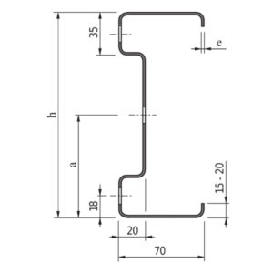
Caractéristiques de la panne sigma 300.24.20
Type
Panne
Panne
Hauteur utile
300 mm
Largeur utile
70 mm
Rapport d’essai
Numéro à venir pour chaque produit
Application
Plancher & structure
Documentations
Dans la même gamme

03 84 71 72 72

















